
SG-6 miniatyrisert kvarts akselerometer
2. Utmerket temperaturkarakteristikk (full temperaturmiddelverdi)
3. Høy temperaturmotstand, anti-seismikk, lav støy, høy oppløsning
Dette produktet er et miniatyrisert, høytemperatur- og anti{0}}seismisk akselerometer. Den har utmerket repeterbarhet, startytelse, høy temperaturbestandighet, anti-seismisk ytelse og høy pålitelighet. Den kan brukes til både statiske og dynamiske tester. Det er en standard vibrasjonssensor.

Produktet har en særegen design preget av miniatyrisering, høy-temperaturmotstand og vibrasjonsmotstand, supplert med avanserte pakketeknikker og dedikerte kretser. Utgangsstrømmen viser et proporsjonalt forhold med inngangsakselerasjonen. Brukere kan oppnå høy-presisjon ved å beregne og velge en passende prøvemotstand. Videre kan en innebygd- temperatursensor integreres på brukerforespørsel, som tjener til å kompensere for skjevhet og skaleringsfaktor, og dermed redusere påvirkningen av omgivelsestemperaturen.
Søknadsfelt:Helningsmåling av oljeboring og vibrasjonsisolasjonstesting av presisjonsinstrumenter og utstyr.
Funksjoner
✭ Mikrostrukturdesign (konturstørrelse mindre enn eller lik 25 gram)
✭ Utmerket temperaturkarakteristikk (full temperaturmiddelverdi)
✭ Utmerket miljøtilpasningsevne, valgfri temperatur/analog utgang
✭ Nullfrekvens DC-respons, strømutgang, sterk anti-interferensevne
✭ Høy temperaturmotstand, anti-seismikk, lav støy, høy oppløsning
✭ Bredt driftstemperaturområde (-55~180ºC)
Spesifikasjoner
|
Ingen |
Parametere |
SG-6-01 |
SG-6-02 |
Enhet |
|
|
1 |
Spekter |
±30 |
±30 |
g |
|
|
2 |
Terskel/oppløsning |
30 ug |
30 ug |
||
|
3 |
Forspenning k0/k1 |
Mindre enn eller lik ±20 |
Mindre enn eller lik ±20 |
mg |
|
|
4 |
Skalafaktor K1 |
1.9-2.1 |
1.9-2.1 |
mA/g |
|
|
5 |
Klasse II ikke-linearitetskoeffisient k2/k1 |
Mindre enn eller lik ±20 |
Mindre enn eller lik ±20 |
ug /g2 |
|
|
6 |
Bias drift Sigma k0 (1σ, en måned) |
Mindre enn eller lik 150 |
Mindre enn eller lik 150 |
ug |
|
|
7 |
Stabilitet av skalafaktor Sigma kl/kl (1σ, en måned) |
Mindre enn eller lik 150 |
Mindre enn eller lik 150 |
ppm |
|
|
8 |
Klasse II ikke-linearitetskoeffisientstabilitet k2/k1 (1σ, en måned) |
Mindre enn eller lik ±40 |
Mindre enn eller lik ±40 |
ug /g2 |
|
|
9 |
Bias termisk koeffisient |
Mindre enn eller lik ±80 |
Mindre enn eller lik ±80 |
ug / grad |
|
|
10 |
Skalafaktor termisk koeffisient |
Mindre enn eller lik ±100 |
Mindre enn eller lik ±100 |
ppm / grad |
|
|
11 |
Støy (prøvemotstand 840Ω) |
Mindre enn eller lik 8 |
Mindre enn eller lik 8 |
mv |
|
|
12 |
Naturlig frekvens |
350~800 |
350~800 |
Hz |
|
|
13 |
Båndbredde |
800~2500 |
800~2500 |
Hz |
|
|
14 |
Vibrasjon |
25 g (20-2000 Hz) |
- |
||
|
15 |
Sjokk |
1000 g, 0,5 ms, 1/2 sin |
- |
||
|
16 |
Temperaturområde (drift) |
-40 grader +150 |
-40+180 |
grad |
|
|
17 |
Temperaturområde (lagret) |
-60-+180 |
60-+200 |
grad |
|
|
18 |
Makt |
±1215 |
V |
||
|
19 |
Bruk strøm |
±20 |
mA |
||
|
20 |
Dimensjon |
Ф18.2X16 |
mm |
||
|
21 |
Vekt |
25 |
g |
||
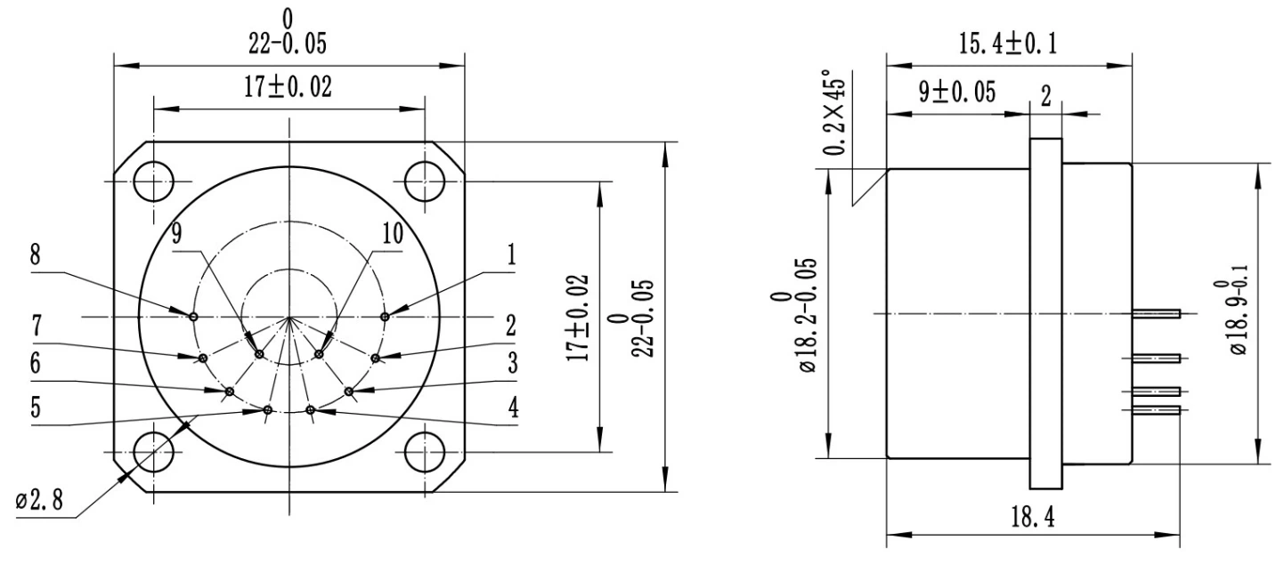
Overordnet dimensjon

En type utenfor tegning (rund)

B type utvendig tegning (firkantet)
Populære tags: sg-6 miniatyrisert kvartsakselerometer, Kina sg-6 miniatyrisert kvartsakselerometer produsenter, leverandører, fabrikk
Sende bookingforespørsel